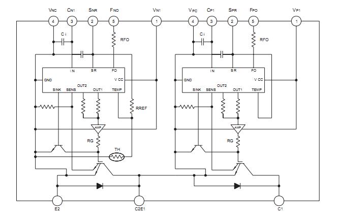
Product Summary
The PM300DVA120 is a single phase IGBT inverter. This Powerex Intellimod Intelligent Power Module is isolated base modules designed for power switching applications operating at frequencies to 20kHz. Built-in control circuits provide optimum gate drive and protection for the IGBT and free-wheel diode power devices.
Parametrics
PM300DVA120 absolute maximum ratings: (1)Power Device Junction Temperature, Tj: -20 to 150℃; (2)Storage Temperature, Tstg: -40 to 125℃; (3)Case Operating Temperature, TC: -20 to 100℃; (4)Mounting Torque, M6 Mounting Screws (Typical): 26 in-lb; (5)Mounting Torque, M6 Main Terminal Screws (Typical): 26 in-lb; (6)Module Weight (Typical): 720Grams; (7)Supply Voltage (Applied between C1-E2), VCC(surge): 1000Volts; (8)Supply Voltage Protected by SC (VD = 13.5 to 16.5V, Inverter Part, Tj = 125℃ Start), VCC(prot.): 800Volts; (9)Isolation Voltage, AC 1 minute, 60Hz Sinusoidal, VRMS: 2500Volts.
Features
PM300DVA120 features: (1)Complete Output Power Circuit; (2)Gate Drive Circuit; (3)Protection Logic; (4)Short Circuit; (5)Over Temperature; (6)Under Voltage.
Diagrams

| Image | Part No | Mfg | Description | ![]() |
Pricing (USD) |
Quantity | ||||||
|---|---|---|---|---|---|---|---|---|---|---|---|---|
![]() |
![]() PM300DVA120 |
![]() |
![]() MOD IPM V-SER DUAL 1200V 300A |
![]() Data Sheet |
![]() Negotiable |
|
||||||
| Image | Part No | Mfg | Description | ![]() |
Pricing (USD) |
Quantity | ||||||
![]() |
![]() PM300 |
![]() Other |
![]() |
![]() Data Sheet |
![]() Negotiable |
|
||||||
![]() |
![]() PM300CBS060 |
![]() Other |
![]() |
![]() Data Sheet |
![]() Negotiable |
|
||||||
![]() |
![]() PM300CE |
![]() Other |
![]() |
![]() Data Sheet |
![]() Negotiable |
|
||||||
![]() |
![]() PM300CL1A060 |
![]() Other |
![]() |
![]() Data Sheet |
![]() Negotiable |
|
||||||
![]() |
![]() PM300CLA060 |
![]() |
![]() MOD IPM L-SER 6PAC 600V 300A |
![]() Data Sheet |
![]()
|
|
||||||
![]() |
![]() PM300CLA120 |
![]() |
![]() MOD IPM L-SER 6PAC 1200V 300A |
![]() Data Sheet |
![]()
|
|
||||||
(China (Mainland))









