Product Summary
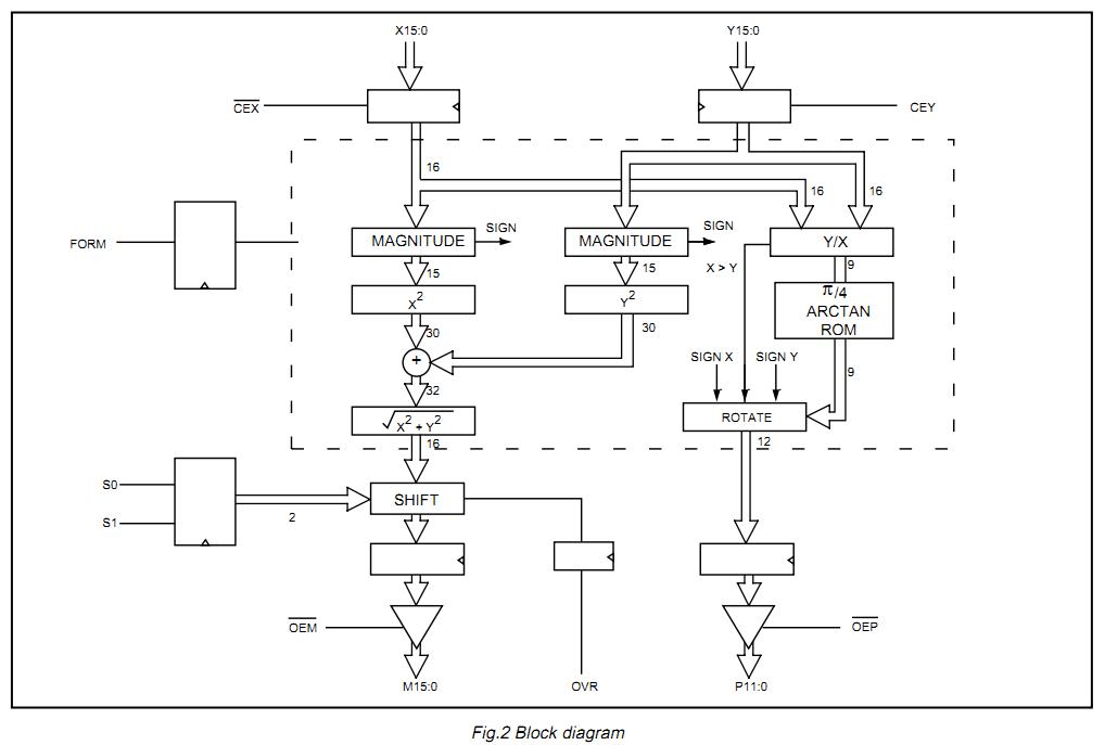
The PDSP16330ABOAC is a high speed digital CMOS IC that converts Cartesian data (Real and Imaginary) into Polar form (Magnitude and Phase), at rates up to 20MHz. Cartesian 16+16 bit 2’s complement or Sign-Magnitude data is converted into 16 bit Phase format. The PDSP16330ABOAC Magnitude output may be scaled in amplitude by powers of 2. The Phase output represents a full 2 x π field to eliminate phase ambiguities.
Parametrics
PDSP16330ABOAC absolute maximum ratings: (1)Supply voltage, Vcc: -0.5V to + 7.0V; (2)Input voltage, VIN: -0.5V to VCC + 0.5V; (3)Output voltage, Vour: -0.5V to VCC + 0.5V; (4)Clamp diode current per pin, IK: ±18mA; (5)Static discharge voltage (HMB), VSTAT: 500V; (6)Storage temperature. Tstg: -65℃ to + 150℃; (7)Ambient temperature with power applied Tamb: Commercial: 0℃ to + 70℃; Industrial: -40℃ to + 85℃; Military: -55 ℃ to + 125℃; (8)Package power dissipation, PTOT: 1200mW; (9)Junction temperature: 150℃.
Features
PDSP16330ABOAC features: (1)25MHz Cartesian to Polar Conversion; (2)16-Bit Cartesian Inputs; (3)16-Bit Magnitude Output; (4)12-Bit Phase Output; (5)2’s Complement or Sign-Magnitude Input Formats; (6)Three-state Outputs and Independent; (7)Data Enables Simplify System Interfacing; (8)Magnitude Scaling Facility with Overflow Flag; (9)Less than 400 mW Power Dissipation at 10MHz; (10)84-pin PGA or 100 pin QFP Package or 84 LCC.
Diagrams

![]() |
![]() PDSP1601 |
![]() Other |
![]() |
![]() Data Sheet |
![]() Negotiable |
|
||||
![]() |
![]() PDSP1601A |
![]() Other |
![]() |
![]() Data Sheet |
![]() Negotiable |
|
||||
![]() |
![]() PDSP1601MC |
![]() Other |
![]() |
![]() Data Sheet |
![]() Negotiable |
|
||||
![]() |
![]() PDSP160MC |
![]() Other |
![]() |
![]() Data Sheet |
![]() Negotiable |
|
||||
![]() |
![]() PDSP16112 |
![]() Other |
![]() |
![]() Data Sheet |
![]() Negotiable |
|
||||
![]() |
![]() PDSP16116 |
![]() Other |
![]() |
![]() Data Sheet |
![]() Negotiable |
|
||||
(China (Mainland))







