Product Summary
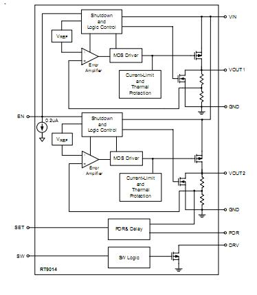
The RT9014A-PJPQW is a dual channel, low noise, and low dropout with the sourcing ability up to 300mA, an open drain driver and power-on reset function. The RT9014A-PJPQW offers 2% accuracy, extremely low dropout voltage (240mV @ 300mA), and extremely low ground current, only 27uA per LDO. The RT9014A-PJPQW can operate stably with very small ceramic output capacitors, reducing required board space and component cost.
Parametrics
RT9014A-PJPQW absolute maximum ratings: (1)Supply Input Voltage:6V; (2)Other I/O Pin Voltages:6V; (3)Power Dissipation:0.926W; (4)Package Thermal Resistance:108℃/W; (5)Lead Temperature (Soldering, 10 sec.):260℃; (6)Storage Temperature Range:-65℃ to 150℃; (7)ESD Susceptibility: HBM (Human Body Mode):2kV, MM (Machine Mode):200V.
Features
RT9014A-PJPQW features: (1)Wide Operating Voltage Ranges : 2.5V to 5.5V; (2)Low-Noise for RF Application; (3)No Noise Bypass Capacitor Required; (4)Fast Response in Line/Load Transient; (5)TTL-Logic-Controlled Shutdown Input; (6)Low Temperature Coefficient; (7)Dual LDO Outputs (300mA/300mA); (8)1 Open-Drain Driver; (9)Ultra-low Quiescent Current 27μA/LDO; (10)High Output Accuracy 2%; (11)Short Circuit Protection; (12)Thermal Shutdown Protection; (13)Current Limit Protection; (14)Short Circuit Thermal Folded Back Protection; (15)Tiny 10-Lead WDFN Package; (16)RoHS Compliant and 100% Lead (Pb)-Free.
Diagrams

![]() |
![]() RT9001 |
![]() Other |
![]() |
![]() Data Sheet |
![]() Negotiable |
|
||||||
![]() |
![]() RT9001-12GG |
![]() |
![]() IC REG LDO 1.2V .6A SOT223 |
![]() Data Sheet |
![]()
|
|
||||||
![]() |
![]() RT9001-15GG |
![]() |
![]() IC REG LDO 1.5V .6A SOT223 |
![]() Data Sheet |
![]()
|
|
||||||
![]() |
![]() RT9001-25GG |
![]() |
![]() IC REG LDO 2.5V .6A SOT223 |
![]() Data Sheet |
![]()
|
|
||||||
![]() |
![]() RT9001-33GG |
![]() |
![]() IC REG LDO 3.3V .6A SOT223 |
![]() Data Sheet |
![]()
|
|
||||||
![]() |
![]() RT9002A |
![]() Other |
![]() |
![]() Data Sheet |
![]() Negotiable |
|
||||||
(China (Mainland))








